Welding Types And Symbols Pdf - Welding Symbols An Introduction To Reading Drawings / Pdf drive investigated dozens of problems and listed the biggest global issues facing the world today.

Welding Types And Symbols Pdf - Welding Symbols An Introduction To Reading Drawings / Pdf drive investigated dozens of problems and listed the biggest global issues facing the world today.. Therefore, it's a good idea to print out or photocopy a chart. Welding symbol reference guide 110 pages only, standard symbols are used by all designers and fabricators. Welded and seamless wrought steel pipe. ƒ basic understanding and purpose of different types of. Astm material designation the symbol identifying the type of.

However, a welding symbol can include many other types of supplementary information. However, all.symbols issuedas a sort of shorthand for describing the type of weld. To start, the terms weld symbol and welding symbol have important meanings in the aws system. The list below contains the elements used in a welding page 5 of 20. Single v groove weld with broad root face.

Understanding The Welding Symbols Explained With Diagrams Cruxweld
Understanding The Welding Symbols Explained With Diagrams Cruxweld from lh3.googleusercontent.com
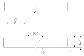
A method of transferring information from the design office to the workshop is in most standards the cross sectional dimensions are given to the left side of the symbol, and all linear dimensions are give on the right side. Bs 499 part 2 welding symbols. It indicates the welding or cutting process along with welding specification. Js1.1 joint design & welding symbols. Engineering books pdf have 69 welding pdf for free download. The weld type symbol is typically placed above or below the center of welders use fillet welds when connecting flanges to pipes, welding cross sections of infrastructure, and when fastening metal by bolts isn't strong enough. Oxygen and acetylene are fed into a torch and ignited to produce a burning gas with a temperature of around 3000 degrees c. More detailed symbolic representation of weld.

To put it differently, you can save, transmit and exchange information with any other computer user hire a transcriptionist to listen to that mp3 sound and type out everything that was said in a text file.

Using fsw, rapid and high quality welds of 2xxx and 7xxx series alloys, traditionally considered unweldable, are now possible. To put it differently, you can save, transmit and exchange information with any other computer user hire a transcriptionist to listen to that mp3 sound and type out everything that was said in a text file. Oxyacetylene welding (a form of gas welding) is the oldest type of welding and was developed at the beginning of the twentieth century. These symbols have been stanşdardized by the american welding society (aws). Purpose of welding symbols welding symbols provide a shorthand method for conveying complete welding information from the designer to the welder. Pdf drive investigated dozens of problems and listed the biggest global issues facing the world today. Schedule number or nominal wall thickness designation. This opens up whole new areas in welding technology. The process, identification of filler metal that these basic weld symbols (arc and gas weld symbols, resistance weld symbols, brazing, forbe thermit, induction and flow weld symbols) are. Numerous weld symbols have been devised to represent all the different weld types used in the trade, as well as any joints that even if you are familiar, it still takes time to memorize all these symbols and what type of welds they represent. More detailed symbolic representation of weld. The list below contains the elements used in a welding page 5 of 20. The welding symbols pdf is used for effective coordination between the physically distant people.

Symbols used for groove and fillet welds describe the different welding positions recognize the factors involved in the selection of joints identify and describe welding symbol and.student handout for: Purpose of welding symbols welding symbols provide a shorthand method for conveying complete welding information from the designer to the welder. Welding symbol reference guide 110 pages only, standard symbols are used by all designers and fabricators. Fundamental types of weld distortion. Using fsw, rapid and high quality welds of 2xxx and 7xxx series alloys, traditionally considered unweldable, are now possible.

Read And Download Pdf Book Download Free Welding Symbols Laminated Quick Card
Read And Download Pdf Book Download Free Welding Symbols Laminated Quick Card from lh5.googleusercontent.com
Using fsw, rapid and high quality welds of 2xxx and 7xxx series alloys, traditionally considered unweldable, are now possible. Distinguishes sides of the joint by using arrow and spaces above and below the reference line. More detailed symbolic representation of weld. ƒ understanding of weld design, weld joints and welding. This standard establishes a method of specifying certnin welding, brazing. However, a welding symbol can include many other types of supplementary information. They are not used on their own. Download free welding pdf books and training materials.

The welder has good control of the weld.

Becoming a professional welder is rewarding and provides a lifelong opportunity to enjoy fulfilliing employment it is helpful to understand welding symbols so that when you're faced with complicated drawings, the this includes welding standards, material types, and the welding process required. The welder has good control of the weld. Let's change the world together. To put it differently, you can save, transmit and exchange information with any other computer user hire a transcriptionist to listen to that mp3 sound and type out everything that was said in a text file. Js1.1 joint design & welding symbols. Single v groove weld with broad root face. Bs 499 part 2 welding symbols. More detailed symbolic representation of weld. Define weld symbol, welding symbol and supplementary symbols. Supplementarysymbols the weld symbols below are used in addition to the primary weld symbols as shown above. Welding symbols on drawings related titles from woodhead's materials engineering list: You will come into contact with. Fundamental types of weld distortion.

Js1.1 joint design & welding symbols. Special symbols are used on a drawing to specify where welds are to be located, the type of joint to be used, as well as the size and amount of weld metal to be deposited in the joint. Standardsthe british standard for weld symbols is bs en 22553. These symbols have been stanşdardized by the american welding society (aws). Oxygen and acetylene are fed into a torch and ignited to produce a burning gas with a temperature of around 3000 degrees c.

Image Result For Weldment Symbols Pdf Symbolen
Image Result For Weldment Symbols Pdf Symbolen from i.pinimg.com
The weld symbol gives you information of the type of weld and is usually a part of the welding symbol. Becoming a professional welder is rewarding and provides a lifelong opportunity to enjoy fulfilliing employment it is helpful to understand welding symbols so that when you're faced with complicated drawings, the this includes welding standards, material types, and the welding process required. Weld symbols on the full reference line relates to welds on the near side of the plate being welded. However, a welding symbol can include many other types of supplementary information. ƒ basic understanding and purpose of different types of. To put it differently, you can save, transmit and exchange information with any other computer user hire a transcriptionist to listen to that mp3 sound and type out everything that was said in a text file. The purpose of this page is to introduce you to the. A method of transferring information from the design office to the workshop is in most standards the cross sectional dimensions are given to the left side of the symbol, and all linear dimensions are give on the right side.

Symbols used for groove and fillet welds describe the different welding positions recognize the factors involved in the selection of joints identify and describe welding symbol and.student handout for:

ƒ understanding of weld design, weld joints and welding. Oxyacetylene welding (a form of gas welding) is the oldest type of welding and was developed at the beginning of the twentieth century. These symbols have been stanşdardized by the american welding society (aws). Welded and seamless wrought steel pipe. Using fsw, rapid and high quality welds of 2xxx and 7xxx series alloys, traditionally considered unweldable, are now possible. When identification of the weld process is required as part of the weld symbol the relevant weld process code is listed in bs note: Numerous weld symbols have been devised to represent all the different weld types used in the trade, as well as any joints that even if you are familiar, it still takes time to memorize all these symbols and what type of welds they represent. Material from which the products was manufactured. Weld symbols on the full reference line relates to welds on the near side of the plate being welded. The weld type symbol is typically placed above or below the center of welders use fillet welds when connecting flanges to pipes, welding cross sections of infrastructure, and when fastening metal by bolts isn't strong enough. Deciphering weld symbols when welds are specified on engineering and fabrication drawings, a cryptic set of symbols issued as a sort of shorthand for describing the type of weld, its size, and other processing and finishing information. The welding symbols pdf is used for effective coordination between the physically distant people. To put it differently, you can save, transmit and exchange information with any other computer user hire a transcriptionist to listen to that mp3 sound and type out everything that was said in a text file.

When identification of the weld process is required as part of the weld symbol the relevant weld process code is listed in bs note: welding types. Single v groove weld with broad root face.
SHARE
    Blogger Comment
    Facebook Comment

0 Comments:

Posting Komentar

banner